Product Summary
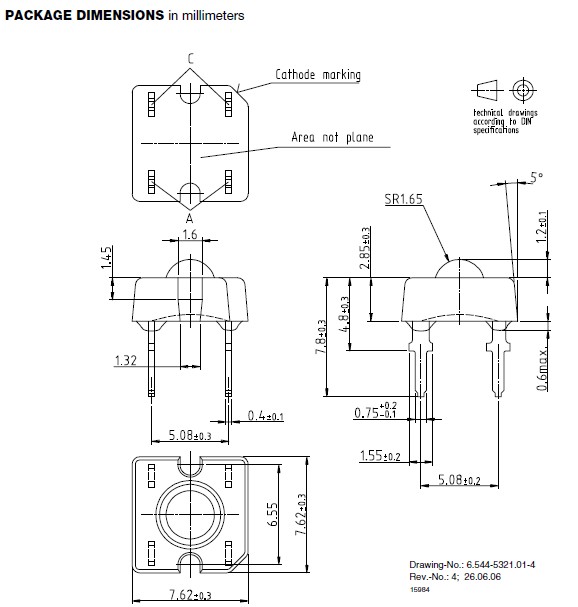
The VLWW9900 is a clear, non diffused LED for high end applications where supreme luminous flux is required. It is designed in an industry standard 7.62 mm square package utilizing highly developed InGaN technology. The supreme heat dissipation of TELUX allows applications at high ambient temperatures. All packing units are binned for luminous flux and color to achieve best homogenous light appearance in application.
Parametrics
Absolute maximum ratings: (1)Reverse voltage at IR = 10 μA, VR: 5 V; (2)DC forward current at Tamb ≤ 50 ℃, IF: 50 mA; (3)Surge forward current at tp ≤ 10 μs, IFSM: 0.1 A; (4)Power dissipation, PV: 255 mW; (5)Junction temperature, Tj: 100 ℃; (6)Operating temperature range, Tamb: - 40 to + 100 ℃; (7)Storage temperature range, Tstg: - 40 to + 100 ℃; (8)Soldering temperature at t ≤ 5 s, 1.5 mm from body preheat temperature 100 ℃/30 s, Tsd: 260 ℃; (9)Thermal resistance junction/ambient With cathode heatsink of 70 mm2, RthJA: 200 K/W; (10)Thermal resistance junction/pin, RthJP: 90 K/W.
Features
Features: (1)Utilizing InGaN technology; (2)High luminous flux; (3)Supreme heat dissipation: RthJP is 90 K/W; (4)High operating temperature: Tj + 100 ℃; (5)Packed in tubes for automatic insertion; (6)Luminous flux and color categorized for each tube; (7)Small mechanical tolerances allow precise usage of external reflectors or lightguides; (8)Compatible with wave solder processes acc. to CECC 00802 and J-STD-020; (9)ESD-withstand voltage: up to 1 kV according to JESD 22-A114-B; (10)AEC-Q101 qualified; (11)Compliant to RoHS Directive 2002/95/EC and in accordance to WEEE 2002/96/EC.
Diagrams

| Image | Part No | Mfg | Description | ![]() |
Pricing (USD) |
Quantity | ||||||||||||
|---|---|---|---|---|---|---|---|---|---|---|---|---|---|---|---|---|---|---|
![]() |
![]() VLWW9900 |
![]() Vishay |
![]() Standard LED - Through Hole White Clear Non-Diff |
![]() Data Sheet |
![]()
|
|
||||||||||||
| Image | Part No | Mfg | Description | ![]() |
Pricing (USD) |
Quantity | ||||||||||||
![]() |
![]() VLWW9900 |
![]() Vishay |
![]() Standard LED - Through Hole White Clear Non-Diff |
![]() Data Sheet |
![]()
|
|
||||||||||||
![]() |
![]() VLWW9601 |
![]() |
![]() LED TELUX 4PIN WHITE 2000MLM |
![]() Data Sheet |
![]() Negotiable |
|
||||||||||||
![]() |
![]() VLWW9600 |
![]() Vishay Semiconductors |
![]() Standard LED - Through Hole White Clear Non-Diff |
![]() Data Sheet |
![]()
|
|
||||||||||||
![]() |
![]() VLWW8605 |
![]() Vishay Semiconductors |
![]() Standard LED - Through Hole WhiteClearNonDiff |
![]() Data Sheet |
![]()
|
|
||||||||||||
(China (Mainland))









